關于TCXO Oscillator的4種補償方法
來源:http://m.malatabj.com 作者:金洛鑫電子 2019年01月25
具有溫度補償功能的TCXO Oscillator是目前頻率控制元件市場上,比較常用的一種振蕩器類型了,這幾年隨著中國網絡和通信科技的崛起,溫補晶振成為智能手機,無線基站,網絡設備的主要電子配件。大部分人只知道溫補晶振擁有兩種溫度補償方式,分別是直接補償和間接補償,但金洛鑫電子今天要跟大家說的是,其實TCXO是有四種補償的方法的,下面給各位例行講解一些TCXO的知識,以及4大溫度補償的工作運作方式。
TCXO溫補晶振簡介:
當需要標準無法達到的溫度穩定性時,TCXO是必需的XO(晶體振蕩器)或VCXO(壓控晶體振蕩器)。溫度穩定性是振蕩器頻率隨溫度變化的程度的量度以兩種方式定義。一種常見的方法是使用“加/減”規格(例如:±0.28ppm)與工作溫度范圍相對應,參考溫度為25°C,溫度范圍通常為-40至85°C或-20°C到70°C)。該規范告訴我們,如果我們將25°C的頻率設為標稱值,那么設備頻率偏離或高于標稱頻率不超過0.28ppm。這是不同的指定溫度穩定性的第二種方法,即使用峰峰值或僅加/減去沒有參考點的值。在第二種情況下,我們不能說我們知道上面或下面有多遠標稱頻率會發生變化-只是我們知道總的范圍是多少。通常設備是使用定義參考點的正負值指定。
圖1.是一個插圖的典型的溫度不同的穩定性振蕩器類型,從50ppm不等對于標準VCXO高達0.2ppb性能OCXO。軸反轉這樣的情節朝這個方向發展增加溫度穩定性。TCXO穩定性范圍涵蓋了中間的情節VCXO晶振之間和OCXO晶振(在某些情況下重疊一些OCXO表現)。 圖1.各種振蕩器類型的溫度穩定性范圍
TCXO對工程師很有用,因為它們可以在10到40倍之間的任何地方使用溫度穩定性比標準VCXO具有相同的功耗和占用面積板。TCXO Oscillator彌合了標準XO或VCXO與OCXO之間的差距,這些差距更大需要更多動力才能運行。推動技術的目的是降低功耗降低成本,因此TCXO為功耗和成本敏感的應用提供了良好的中端解決方案。
TCXO溫度穩定性水平(從5ppm到50ppb)通常是必要的,因為振蕩器是在沒有外部頻率的系統中,可以在自由運行模式下獨立運行參考,或作為合成器的固定頻率參考,TCXO晶振在開環操作中驅動aDDS(直接數字合成)以及DDS而非TCXO被“鎖定”到外部參考的位置。
后一種情況(TCXO是開環,頻率在DDS設置)正變得越來越普遍,因為設計人員發現他們可以使用DDS解決方案實現更好的頻率分辨率通過數模轉換器轉向TCXO。因為轉向是在DDS中完成的而不是振蕩器,設計師需要能夠對頻率如何做出某些假設固定參考值將隨溫度變化,以便他們可以規劃鎖相的設計循環相應。由于靈活性,它們允許TCXO用于大量頻率控制應用程序,但一個重要的領域是小型蜂窩基站(femto,micro和pico)被用作定時分配芯片的固定頻率源。
TCXO如何運作:
在非常基本的術語中,TCXO通過采用感應溫度補償網絡來運行環境溫度并將晶振拉至其標稱值。基本振蕩器電路和輸出級與VCXO中的預期相同。圖2是簡化的TCXO功能框圖。
這個想法是補償網絡驅動拉網絡,然后調整頻率振蕩器。
圖3是發生了什么的概述-未補償的晶體頻率響應溫度(紅色)就像一個三階多項式曲線如果你將石英晶體振蕩器非線性變成因此,補償網絡的目的是產生有效的鏡像電壓關于晶體曲線的溫度軸,以抵消溫度對溫度的影響水晶。補償電壓顯示為藍色,得到的頻率/溫度曲線以綠色顯示。 圖3.溫度補償
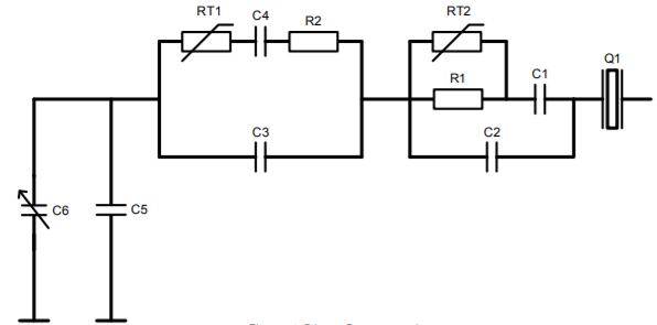
實現這一目標的方法隨著時間而改變。使用的第一種方法之一是直接補償技術,其中使用熱敏電阻,電容器和電阻器網絡來直接控制TCXO CRYSTAL的頻率。溫度的變化會導致熱敏電阻(圖4中的RT1和RT2)變化,這會導致網絡的等效串聯電容發生變化-這反過來會改變網絡晶體上的電容負載,導致振蕩器頻率的變化。
圖4.直接補償
在隨后的TCXO Oscillator開發中(圖5中所示的間接補償)熱敏電阻網絡(RT1至RT3)和電阻器(R1至R3)用于產生溫度相關的電壓。輸出電壓網絡被過濾,然后用于驅動變容二極管,變換晶體上的負載,再次產生在頻率變化。 圖5間接補償
當前的方法將補償網絡和拉網絡集成到集成電路中(如圖6所示),補償網絡的作用由一組總和的運算放大器起作用一起產生溫度的3階或5階函數。與間接補償方法一樣該電壓用于驅動變容二極管,進而改變Oscillator的輸出頻率。由于晶體特性的變化意味著沒有“一刀切”的功能,因此在此期間得出了解決方案TCXO的溫度測試。兩個電容器陣列用于在室溫下調節頻率到標稱值,然后在期間獲得溫度補償功能所需的設置測試并存儲在片上存儲器中。 圖6綜合補償
最后一種方法通常被稱為“數字控制模擬補償”,并且常見因為可以在a中提供的功能量,所以在小型TCXO設計中單ASIC。
溫補振蕩器產品的開發設計和測試量產,主要都集中在國外,大多數都是日本,美國,英國,德國,新西蘭,瑞士等地方的廠家,每年我國進口的TCXO Oscillator數量約5000萬顆以上。
當需要標準無法達到的溫度穩定性時,TCXO是必需的XO(晶體振蕩器)或VCXO(壓控晶體振蕩器)。溫度穩定性是振蕩器頻率隨溫度變化的程度的量度以兩種方式定義。一種常見的方法是使用“加/減”規格(例如:±0.28ppm)與工作溫度范圍相對應,參考溫度為25°C,溫度范圍通常為-40至85°C或-20°C到70°C)。該規范告訴我們,如果我們將25°C的頻率設為標稱值,那么設備頻率偏離或高于標稱頻率不超過0.28ppm。這是不同的指定溫度穩定性的第二種方法,即使用峰峰值或僅加/減去沒有參考點的值。在第二種情況下,我們不能說我們知道上面或下面有多遠標稱頻率會發生變化-只是我們知道總的范圍是多少。通常設備是使用定義參考點的正負值指定。
圖1.是一個插圖的典型的溫度不同的穩定性振蕩器類型,從50ppm不等對于標準VCXO高達0.2ppb性能OCXO。軸反轉這樣的情節朝這個方向發展增加溫度穩定性。TCXO穩定性范圍涵蓋了中間的情節VCXO晶振之間和OCXO晶振(在某些情況下重疊一些OCXO表現)。 圖1.各種振蕩器類型的溫度穩定性范圍
TCXO對工程師很有用,因為它們可以在10到40倍之間的任何地方使用溫度穩定性比標準VCXO具有相同的功耗和占用面積板。TCXO Oscillator彌合了標準XO或VCXO與OCXO之間的差距,這些差距更大需要更多動力才能運行。推動技術的目的是降低功耗降低成本,因此TCXO為功耗和成本敏感的應用提供了良好的中端解決方案。
TCXO溫度穩定性水平(從5ppm到50ppb)通常是必要的,因為振蕩器是在沒有外部頻率的系統中,可以在自由運行模式下獨立運行參考,或作為合成器的固定頻率參考,TCXO晶振在開環操作中驅動aDDS(直接數字合成)以及DDS而非TCXO被“鎖定”到外部參考的位置。
后一種情況(TCXO是開環,頻率在DDS設置)正變得越來越普遍,因為設計人員發現他們可以使用DDS解決方案實現更好的頻率分辨率通過數模轉換器轉向TCXO。因為轉向是在DDS中完成的而不是振蕩器,設計師需要能夠對頻率如何做出某些假設固定參考值將隨溫度變化,以便他們可以規劃鎖相的設計循環相應。由于靈活性,它們允許TCXO用于大量頻率控制應用程序,但一個重要的領域是小型蜂窩基站(femto,micro和pico)被用作定時分配芯片的固定頻率源。
TCXO如何運作:
在非常基本的術語中,TCXO通過采用感應溫度補償網絡來運行環境溫度并將晶振拉至其標稱值。基本振蕩器電路和輸出級與VCXO中的預期相同。圖2是簡化的TCXO功能框圖。

圖3是發生了什么的概述-未補償的晶體頻率響應溫度(紅色)就像一個三階多項式曲線如果你將石英晶體振蕩器非線性變成因此,補償網絡的目的是產生有效的鏡像電壓關于晶體曲線的溫度軸,以抵消溫度對溫度的影響水晶。補償電壓顯示為藍色,得到的頻率/溫度曲線以綠色顯示。 圖3.溫度補償
實現這一目標的方法隨著時間而改變。使用的第一種方法之一是直接補償技術,其中使用熱敏電阻,電容器和電阻器網絡來直接控制TCXO CRYSTAL的頻率。溫度的變化會導致熱敏電阻(圖4中的RT1和RT2)變化,這會導致網絡的等效串聯電容發生變化-這反過來會改變網絡晶體上的電容負載,導致振蕩器頻率的變化。

在隨后的TCXO Oscillator開發中(圖5中所示的間接補償)熱敏電阻網絡(RT1至RT3)和電阻器(R1至R3)用于產生溫度相關的電壓。輸出電壓網絡被過濾,然后用于驅動變容二極管,變換晶體上的負載,再次產生在頻率變化。 圖5間接補償
當前的方法將補償網絡和拉網絡集成到集成電路中(如圖6所示),補償網絡的作用由一組總和的運算放大器起作用一起產生溫度的3階或5階函數。與間接補償方法一樣該電壓用于驅動變容二極管,進而改變Oscillator的輸出頻率。由于晶體特性的變化意味著沒有“一刀切”的功能,因此在此期間得出了解決方案TCXO的溫度測試。兩個電容器陣列用于在室溫下調節頻率到標稱值,然后在期間獲得溫度補償功能所需的設置測試并存儲在片上存儲器中。 圖6綜合補償
最后一種方法通常被稱為“數字控制模擬補償”,并且常見因為可以在a中提供的功能量,所以在小型TCXO設計中單ASIC。
溫補振蕩器產品的開發設計和測試量產,主要都集中在國外,大多數都是日本,美國,英國,德國,新西蘭,瑞士等地方的廠家,每年我國進口的TCXO Oscillator數量約5000萬顆以上。
正在載入評論數據...
相關資訊
- [2025-09-02]探索CTS-CS-BAX-20母線安裝式電...
- [2025-08-28]Skyworks設定超低抖動時鐘緩沖器...
- [2025-08-28]Skyworks展示其在智慧城市汽車等...
- [2025-08-22]EMI控制輕松實現泰藝的SX和SY擴...
- [2025-08-22]泰藝的32.768kHz晶體支持從緊湊...
- [2025-08-21]臺灣SIWARD希華推出小型1610貼片...
- [2025-08-21]WINTRON推出低高度SMD封裝WTC-3...
- [2025-08-20]anderson安德森2520貼片晶體振蕩...







業務經理
客服經理